静态扭矩传感器是一种专门用于测量不产生旋转运动或旋转速度极低(可忽略动态效应)的物体所受扭矩的传感器。其核心原理是通过检测扭矩作用下弹性元件产生的形变(如应变、扭转角等),将物理形变转化为可测量的电信号(如电压、电流等),进而实现对扭矩数值的精确测量。
广泛应用于试验机、扭力扳手、转向机电动执行器、阀门、变速器的静载扭矩液压等静止扭矩测试系统中

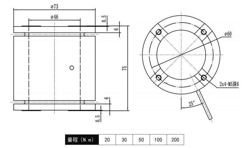
| 测量范围 | 0~20/30/50/100/200Nm |
| 输出灵敏度 | 1.0~2.0mV/V |
| 零点输出 | ±2%FS |
| 非线性 | ±0.2%FS |
| 滞后 | 0.1%F·S |
| 重复性 | 0.1%F·S |
| 蠕变 | 0.1%F·S |
| 温度灵敏度漂移 | 0.1%F·S/10℃ |
| 零点温度漂移 | 0.1%F·S/10℃ |
| 响应频率 | 1kHz |
| 材质 | 铝合金 |
| 阻抗 | 350-700Ω |
| 绝缘电阻 | ≥5000MΩ/100VDC |
| 适用电压 | 5~15V |
| 工作温度范围 | -20~80℃ |
| 安全超载 | 150%FS |
| 极限超载 | 200%FS |
| 电缆线尺寸 | φ3x2m |
| 线缆极限拉力 | 98N |
1.long8体育为客户提供安装调试服务,以及其他技术咨询,必要时技术人员可上门提供技术培训。客户如有技术上疑问,技术人员将在4个小时内给出回复。
2.long8体育产品严格按照ISO9001国际质量体系设计生产,传感器产品质保1年.仪表类产品质保3年,7天退换货,终身维修。(人为损坏不在质保范围,定制产品无质量问题不退不换。)
3.因质量问题造成的退换货,long8体育将承担退换货运费。非质量问题退换货费用将由客户承担。
注:质量问题是指功能,尺寸、指标、安装方式等定制参数未按照客户提出的要求定制,功能不符,尺寸误差,精度不准(误差范围内除外)。
定制产品需双方确认图纸后加工生产,如产品不符合客户要求需在二周内提出书面异议,客户未按规定期限提出异议视为验收合格。
如在期限内提出异议,双方确认后确属产品质量问题或未按双方确认后的要求生产,可调换或退款。如无质量问题,且发货型号与合同签订型号完整无误,则不提供退换货服务。
4. 返厂维修的产品将在3个工作日内出具检测结果,7个工作日内完成维修。
售后咨询
技术咨询、返厂维修、发票、投诉建议等相关问题。售后服务热线021-51601181
地址:上海市宝山区顾村镇沪太路5018号梓坤科技园1号楼910室
24小时全国热线:400-7282-986
售前咨询热线:021-51602986
售后咨询热线:021-51601181
企业公众号
企业抖音号
企业视频号
企业微博
企业小红书